什么是金相分析?
材料的微观组织决定了材料的性能,金相分析是研究材料微观组织和成分的重要手段之一。
利用金相显微镜在专门制备的试样上放大100~1500倍,通过金相照片可以直观的表征材料的组织组成物、材料的相、晶粒、夹杂物等,同时金相分析也是评价材料工艺的优良和查找失效及缺陷原因的有效手段。

金相分析的应用有哪些?
原材料检验
对原材料的冶金质量情况进行检查;对铸造材料的铸造疏松、气孔、夹渣组织均匀性进行检查;对锻造件的表面脱碳、过热、过烧、裂纹、变形等情况进行检查。

▲ 普通铸铁

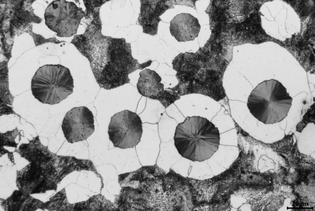
▲ 常用非铁金属
生产过程中的质量控制
金相分析可以提供调整工序及修改工艺参数的根据,指导生产。

▲ 热处理后的碳钢

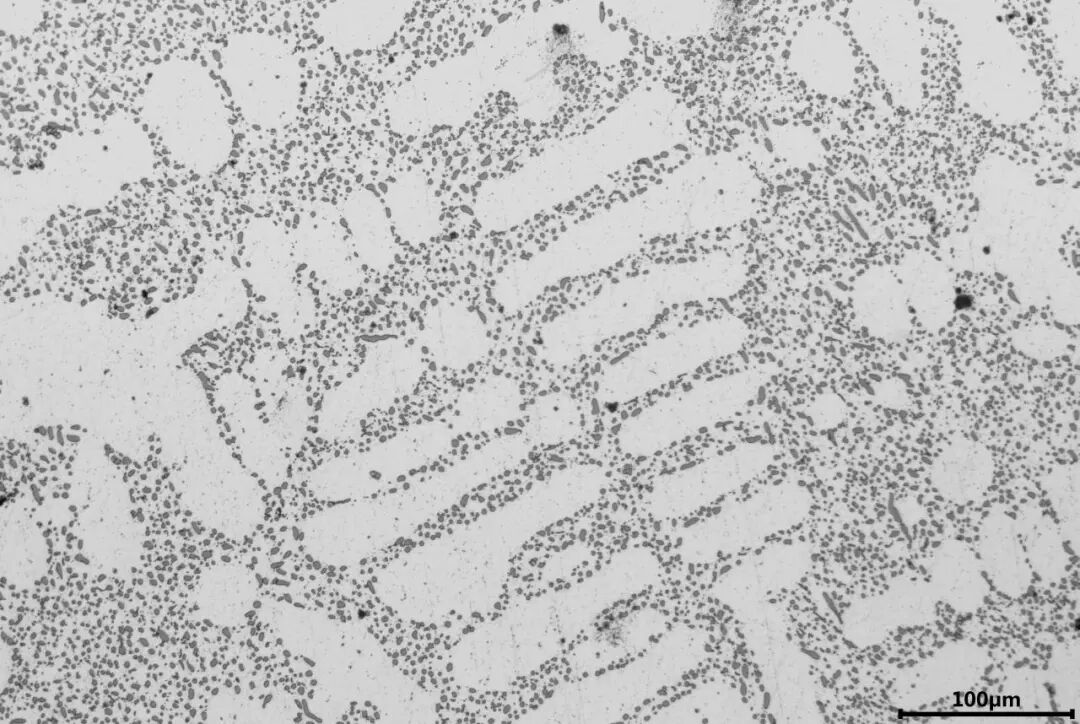
▲ 常见热加工缺陷组织
产品质量检验
有些机械零件或产品除要求机械性能、物理性能指标外,还要求显微组织参数作为质量评定的技术指标。

▲ 二元与三元合金组织
SOPTOP拥有多款正置、倒置金相显微镜可用来鉴别和分析各种金属和合金的组织结构,广泛应用在工厂或者实验室进行铸件质量的鉴定、原材料的检验或对材料处理后金相组织的研究分析。




SCROLLCopyright©2026 宁波舜宇仪器有限公司版权所有 All Rights Reserved 备案号:浙ICP备2023051240号-1
技术支持:化工仪器网 管理登录 sitemap.xml